FM-X5
Rahmendübel
Der FM-X5 Rahmendübel in den Ausführungen Ø8 und Ø10 mm in Kombination mit einer Senk-/ Sechskantkopfschrauben ist zugelassen für Mehrfachbefestigungen von nichttragenden Systemen in Beton und Mauerwerk.
CE Kennzeichnung
ETA
Nutzungsklasse 2
Galvanisch verzinkter Stahl
Innen
Feu R 90
Fix Calc
Produkt-Details
Eigenschaften
Material
- Dübel: Polyamid PA6
- Schrauben: Stahl Ø 6.0 -5.8, gehärtet / Stahl Ø 7.0 - 6.8, gehärtet
- Fe/Zn5/A: galvanisch verzinkt ≥ 5µm, blau passiviert
Vorteile
- Teilgewindeschrauben mit Senkkopf oder Sechskantkopf mit angeformter U-Scheibe in Kombination mit einem hochwertigen Nylondübel
- Innensechsrundantrieb
- Variable Dübel- und Schraubenlängen
Anwendung
Anwendungsbereich
- Fassaden-, Decken-, und Dachunterkonstruktionen aus Holz oder Metall
- Fenster, Tore und Türen
- Metallwinkel / -halterungen
- Kabelkanäle / -rinnen
- Balken / Kanthölzer
- Wandbekleidungen
Anwendbare Materialien
- Beton ≥ C12/15
- Vollsteinmauerwerk
- Hohlblock- / Lochsteinmauerwerk
- Leicht- und Porenbeton
Technische Daten
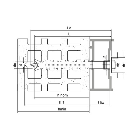
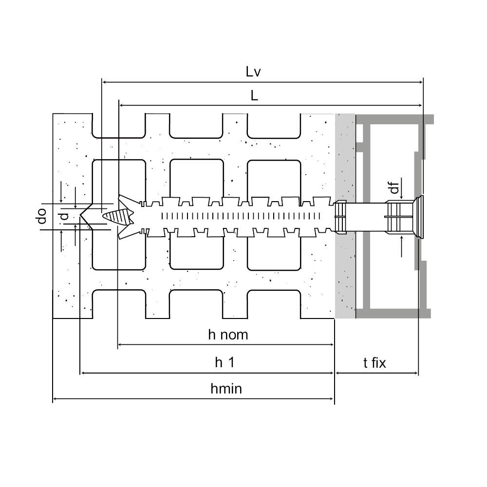
Abmessungen und charakt. Werte- Senkkopfschraube (SK)
| Artikel | Bezeichnung | Abmessungen [mm] | max. Anbauteildicke tfix,max [mm] | Bohrtiefe h1 | Setztiefe hnom [mm] | Mindest-bauteildicke hmin [mm] | Durchgangsloch im Anbauteil df [mm] | ∅ Schrauben d [mm] | Schraubenlänge Lv [mm] | Bit | Stk. / Box | Stk./ Umverpackung |
|---|---|---|---|---|---|---|---|---|---|---|---|---|
| 64301B0808000 | FM-X5 | Ø8x80 | 10 | 80 | 70 | 120 | 8.5 | 6 | 85 | T30 | 100 | 1000 |
| 64301B0810000 | Ø8x100 | 30 | 80 | 70 | 120 | 8.5 | 6 | 105 | T30 | 50 | 500 | |
| 64301B0812000 | Ø8x120 | 50 | 80 | 70 | 120 | 8.5 | 6 | 125 | T30 | 50 | 500 | |
| 64301B0815000 | Ø8x150 | 80 | 80 | 70 | 120 | 8.5 | 6 | 155 | T30 | 50 | - | |
| 64301B0817000 | Ø8x170 | 100 | 80 | 70 | 120 | 8.5 | 6 | 175 | T30 | 50 | - | |
| 64301B1008500 | Ø10x85 | 15 | 80 | 70 | 120 | 10.5 | 7 | 90 | T40 | 50 | 500 | |
| 64301B1010000 | Ø10x100 | 30 | 80 | 70 | 120 | 10.5 | 7 | 105 | T40 | 50 | 500 | |
| 64301B1011500 | Ø10x115 | 45 | 80 | 70 | 120 | 10.5 | 7 | 120 | T40 | 50 | 500 | |
| 64301B1013500 | Ø10x135 | 65 | 80 | 70 | 120 | 10.5 | 7 | 140 | T40 | 50 | 200 | |
| 64301B1016000 | Ø10x160 | 90 | 80 | 70 | 120 | 10.5 | 7 | 165 | T40 | 50 | - | |
| 64301B1020000 | Ø10x200 | 130 | 80 | 70 | 120 | 10.5 | 7 | 205 | T40 | 50 | - | |
| 64301B1023000 | Ø10x230 | 160 | 80 | 70 | 120 | 10.5 | 7 | 235 | T40 | 50 | - |
.
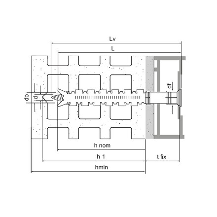
Abmessungen und charakt. Werte - Sechskantkopfschraube (S)
| Artikel | Bezeichnung | Abmessungen [mm] | max. Anbauteildicke tfix,max [mm] | Bohrtiefe h1 | Setztiefe hnom [mm] | Mindest-bauteildicke hmin [mm] | Durchgangsloch im Anbauteil df [mm] | ∅ U-Scheibe dr [mm] | ∅ Schrauben d [mm] | Schraubenlänge Lv [mm] | SW [SW] [mm] | Bit | Stk. / Box | Stk./ Umverpackung |
|---|---|---|---|---|---|---|---|---|---|---|---|---|---|---|
| 64302B1008500 | FM-X5 | Ø10x85 | 15 | 80 | 70 | 120 | 10.5 | 19 | 7 | 90 | 13 | T40 | 50 | 500 |
| 64302B1010000 | Ø10x100 | 30 | 80 | 70 | 120 | 10.5 | 19 | 7 | 105 | 13 | T40 | 50 | 500 | |
| 64302B1011500 | Ø10x115 | 45 | 80 | 70 | 120 | 10.5 | 19 | 7 | 120 | 13 | T40 | 50 | 500 | |
| 64302B1013500 | Ø10x135 | 65 | 80 | 70 | 120 | 10.5 | 19 | 7 | 140 | 13 | T40 | 50 | 200 |
.
Installation
Installation
Achs- und Randabstände
| Artikel | Bezeichnung | Abmessungen [mm] | Achs- undf Randabstände | |||||||||||||
|---|---|---|---|---|---|---|---|---|---|---|---|---|---|---|---|---|
| ungerissener Beton C12/C15 | ungerissener Beton C16/C20 | Porenbeton AAC | Ziegelstein | |||||||||||||
| min. Randabstand [cmin] [mm] | min. Achsabstand [smin] [mm] | charak. Randabstand [ccr,N] [mm] | Mindest-bauteildicke [hmin] [mm] | min. Randabstand [cmin] [mm] | min. Achsabstand [smin] [mm] | charak. Randabstand [ccr,N] [mm] | Mindest-bauteildicke [hmin] [mm] | min. Randabstand [cmin] [mm] | min. Achsabstand [smin] [mm] | Mindest-bauteildicke [hmin] [mm] | min. Randabstand [cmin] [mm] | min. Achsabstand [smin] [mm] | Mindest-bauteildicke [hmin] [mm] | |||
| 64301B0808000 | FM-X5 | Ø8x80 | 80 | 80 | 140 | 100 | 60 | 60 | 100 | 100 | 100 | 250 | 200 | 100 | 250 | 110 |
| 64301B0810000 | FM-X5 | Ø8x100 | 80 | 80 | 140 | 100 | 60 | 60 | 100 | 100 | 100 | 250 | 200 | 100 | 250 | 110 |
| 64301B0812000 | FM-X5 | Ø8x120 | 80 | 80 | 140 | 100 | 60 | 60 | 100 | 100 | 100 | 250 | 200 | 100 | 250 | 110 |
| 64301B0815000 | FM-X5 | Ø8x150 | 80 | 80 | 140 | 100 | 60 | 60 | 100 | 100 | 100 | 250 | 200 | 100 | 250 | 110 |
| 64301B0817000 | FM-X5 | Ø8x170 | 80 | 80 | 140 | 100 | 60 | 60 | 100 | 100 | 100 | 250 | 200 | 100 | 250 | 110 |
| 64301B1008500 | FM-X5 | Ø10x85 | 80 | 80 | 140 | 100 | 60 | 60 | 100 | 100 | 100 | 250 | 200 | 100 | 250 | 110 |
| 64301B1010000 | FM-X5 | Ø10x100 | 80 | 80 | 140 | 100 | 60 | 60 | 100 | 100 | 100 | 250 | 200 | 100 | 250 | 110 |
| 64301B1011500 | FM-X5 | Ø10x115 | 80 | 80 | 140 | 100 | 60 | 60 | 100 | 100 | 100 | 250 | 200 | 100 | 250 | 110 |
| 64301B1013500 | FM-X5 | Ø10x135 | 80 | 80 | 140 | 100 | 60 | 60 | 100 | 100 | 100 | 250 | 200 | 100 | 250 | 110 |
| 64301B1016000 | FM-X5 | Ø10x160 | 80 | 80 | 140 | 100 | 60 | 60 | 100 | 100 | 100 | 250 | 200 | 100 | 250 | 110 |
| 64301B1020000 | FM-X5 | Ø10x200 | 80 | 80 | 140 | 100 | 60 | 60 | 100 | 100 | 100 | 250 | 200 | 100 | 250 | 110 |
| 64301B1023000 | FM-X5 | Ø10x230 | 80 | 80 | 140 | 100 | 60 | 60 | 100 | 100 | 100 | 250 | 200 | 100 | 250 | 110 |
| 64302B1008500 | FM-X5 | Ø10x85 | 80 | 80 | 140 | 100 | 60 | 60 | 100 | 100 | 100 | 250 | 200 | 100 | 250 | 110 |
| 64302B1010000 | FM-X5 | Ø10x100 | 80 | 80 | 140 | 100 | 60 | 60 | 100 | 100 | 100 | 250 | 200 | 100 | 250 | 110 |
| 64302B1011500 | FM-X5 | Ø10x115 | 80 | 80 | 140 | 100 | 60 | 60 | 100 | 100 | 100 | 250 | 200 | 100 | 250 | 110 |
| 64302B1013500 | FM-X5 | Ø10x135 | 80 | 80 | 140 | 100 | 60 | 60 | 100 | 100 | 100 | 250 | 200 | 100 | 250 | 110 |
Achs- und Randabstände
| Artikel | Bezeichnung | Abmessungen [mm] | Installation | |||
|---|---|---|---|---|---|---|
| ∅ Bohrer [d0] [mm] | min. Bohrtiefe [h1] [mm] | Durchgangsloch im Anbauteil [df] [mm] | Schlüsselweite [SW] [mm] | |||
| 64301B0808000 | FM-X5 | Ø8x80 | 8 | 80 | 8.5 | - |
| 64301B0810000 | FM-X5 | Ø8x100 | 8 | 80 | 8.5 | - |
| 64301B0812000 | FM-X5 | Ø8x120 | 8 | 80 | 8.5 | - |
| 64301B0815000 | FM-X5 | Ø8x150 | 8 | 80 | 8.5 | - |
| 64301B0817000 | FM-X5 | Ø8x170 | 8 | 80 | 8.5 | - |
| 64301B1008500 | FM-X5 | Ø10x85 | 10 | 80 | 10.5 | - |
| 64301B1010000 | FM-X5 | Ø10x100 | 10 | 80 | 10.5 | - |
| 64301B1011500 | FM-X5 | Ø10x115 | 10 | 80 | 10.5 | - |
| 64301B1013500 | FM-X5 | Ø10x135 | 10 | 80 | 10.5 | - |
| 64301B1016000 | FM-X5 | Ø10x160 | 10 | 80 | 10.5 | - |
| 64301B1020000 | FM-X5 | Ø10x200 | 10 | 80 | 10.5 | - |
| 64301B1023000 | FM-X5 | Ø10x230 | 10 | 80 | 8.5 | - |
| 64302B1008500 | FM-X5 | Ø10x85 | 10 | 80 | 10.5 | 13 |
| 64302B1010000 | FM-X5 | Ø10x100 | 10 | 80 | 10.5 | 13 |
| 64302B1011500 | FM-X5 | Ø10x115 | 10 | 80 | 10.5 | 13 |
| 64302B1013500 | FM-X5 | Ø10x135 | 10 | 80 | 10.5 | 13 |
Eignungsnachweise
Leistungserklärung (DoP)
de-fm-x5-07-f.pdf
(232.19 KB)
Technische Bewertung (ETA)
fm-x5-eta-10-0425-en-2024-03-13.pdf
(987.52 KB)