ATFN
Hirnholzverbinder
Die ATFN eignen sich sowohl für Hauptträger-Nebenträger-Anschlüsse als auch für Stützen-Nebenträger-Anschlüsse.
CE Kennzeichnung
ETA
Nutzungsklasse 1
In Connector Selector verfügbar
Produkt-Details
Eigenschaften
Material
Stahlqualität:
S355MC gemäß DIN EN 10149-2
Korrosionsschutz:
galvanisch verzinkt Zinkschichtdicke von ca. 8 μm
Vorteile
- Sämtliche Vorarbeiten für den ATFN können im Werk erfolgen. Auf der Baustelle werden die beiden Verbinder lediglich ineinander geschoben. Auf diese Weise können aufwendige Konstruktionen in kurzer Zeit erstellt werden.
- Da keine Spezialwerkzeuge erforderlich sind, ist eine Montage auf der Baustelle ebenso problemlos möglich.
Anwendung
Anwendbare Materialien
Auflager:
- Holz, Holzwerkstoffe
Aufzulagerndes Bauteil:
- Holz, Holzwerkstoffe
Anwendungsbereich
- Für Anschlüsse von Nebenträgern/Stützen aus Holz oder Holzwerkstoffen an Hauptträger aus Holz/Holzwerkstoffen.
Discontinued Products
Variant Status Details
There are variants of this product family which have been discontinued and are out of production.
phased out (has Variants which were phased out)Technische Daten
Abmessungen
| Artikel | Abmessungen des Nebenträgers [mm] | Abmessungen [mm] | Löcher im Hauptträger | Löcher im Nebenträger | Gewicht [kg] | ||||
|---|---|---|---|---|---|---|---|---|---|
| Breite | Höhe | A | B | t1 | t2 | Ø5 | Ø5 | ||
| Min. | Min. | ||||||||
| ATFN55/110 | 80 | 140 | 110 | 55 | 5 | 5 | 8 | 11 | 0.42 |
| ATFN55/150 | 80 | 180 | 150 | 55 | 5 | 5 | 11 | 15 | 0.57 |
| ATFN55/190 | 80 | 220 | 190 | 55 | 5 | 5 | 14 | 21 | 0.71 |
| ATFN75/150 | 100 | 180 | 150 | 75 | 5 | 5 | 17 | 22 | 0.79 |
| ATFN75/190 | 100 | 220 | 190 | 75 | 5 | 5 | 21 | 28 | 0.99 |
Charakteristische Tragfähigkeiten - Holz an Holz
| Artikel | Verbindungsmittel | Charakter. Tragfähigkeiten - Nadelholz C24 [kN] | ||||
|---|---|---|---|---|---|---|
| Hauptträger | Nebenträger | R1,k [1] | R1,k [2] | |||
| Anzahl | Typ | Anzahl | Typ | CSA5,0x50-DECP | CSA5,0x50-DECP | |
| ATFN55/110 | 8 | CSA5,0X50 | 11 | CSA5,0X50 | 11.4 | 8.1 |
| ATFN55/150 | 11 | CSA5,0X50 | 15 | CSA5,0X50 | 15.5 | 12.4 |
| ATFN55/190 | 14 | CSA5,0X50 | 21 | CSA5,0X50 | 21.7 | 18.1 |
| ATFN75/150 | 17 | CSA5,0X50 | 22 | CSA5,0X50 | 22.8 | 17.4 |
| ATFN75/190 | 21 | CSA5,0X50 | 28 | CSA5,0X50 | 29 | 24.2 |
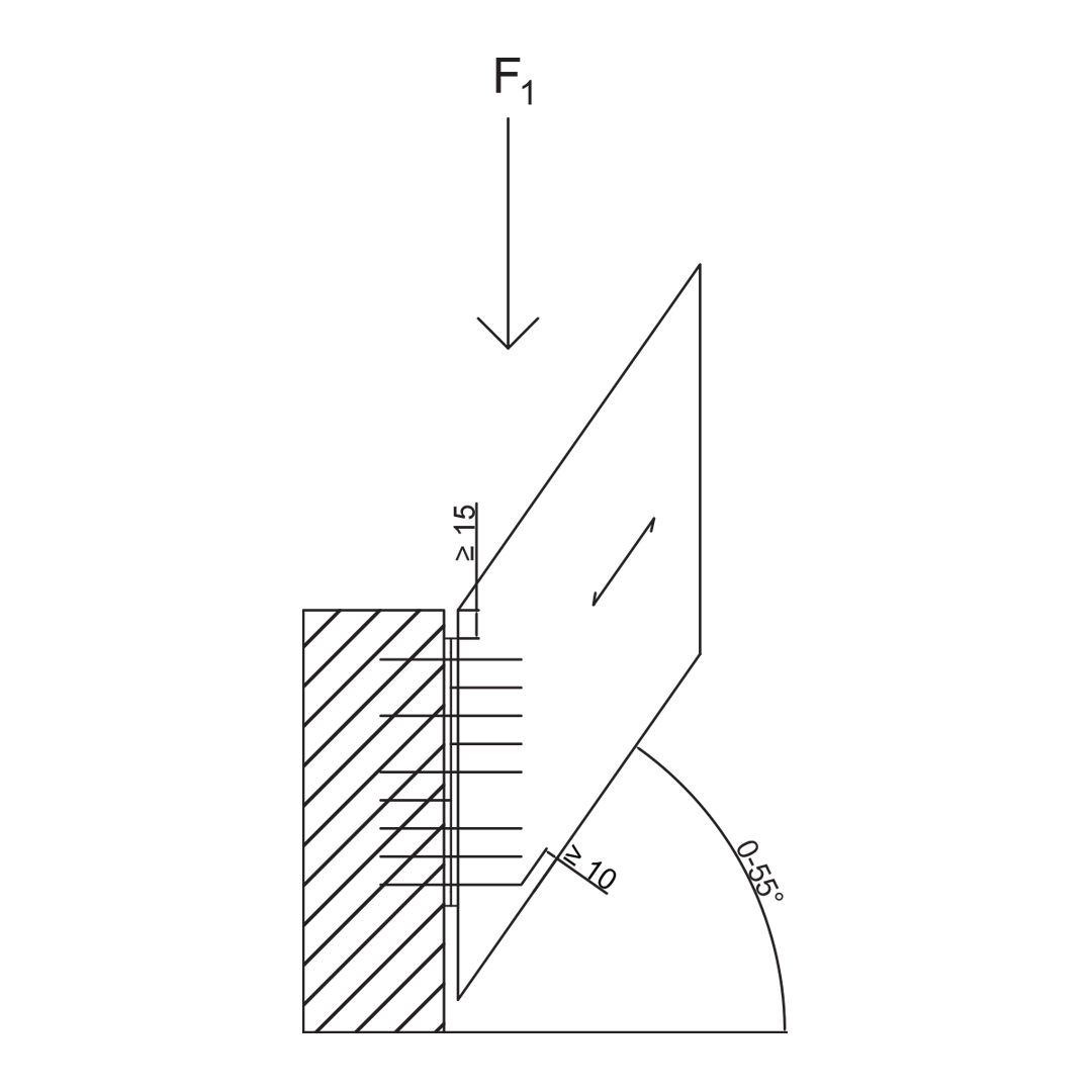
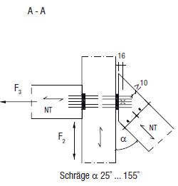
Standard Montage - Neigung β = 35° bis 145°, Schräge α = 25° bis 155°
[1] Der Hauptträger ist drehsteif gelagert, nur im Hauptträger dürfen anstelle der CSA Schrauben, CNA4,0x60 Kammnägel verwendet werden. Im Nebenträger sind stets CSA Schrauben zu verwenden.
[2] Der Hauptträger (b≤100mm) ist drehweich gelagert
Bemessung:
Die Tragwiderstand R3.d = R1.d x 0,5
Der Tragwiderstand R4.d = R1.d x ,25
Eignungsnachweise
Leistungserklärung (DoP)
de-dop-e07-0245-05-s.pdf
(231.8 KB)
de-dop-e07-0245-issue-4.pdf
(97.44 KB)
de-dop-e07-0245-issue-3-2.pdf
(62.09 KB)
de-dop-e07-0245-issue-2.pdf
(34.83 KB)
Technische Bewertung (ETA)
eta-07-0245-2025-01-15.pdf
(5.72 MB)
eta-07-0245-2018-08-15.pdf
(2.68 MB)
eta070245-sst-je-ch-r5-2016-rev-a.pdf
(3.36 MB)