B1

Appel Scheibendübel (B1)

Typ B1

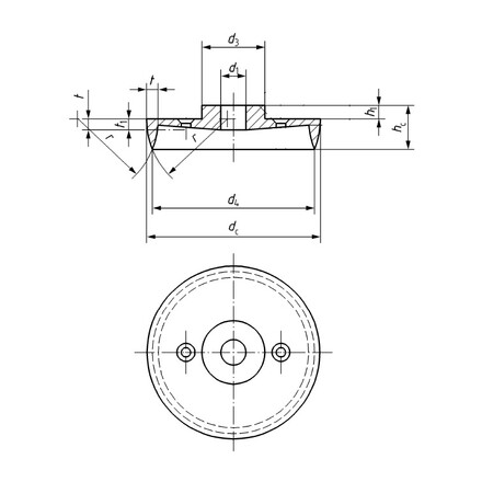
Scheibendübel des Typs B1 sind Dübel besonderer Bauart, die aus einer runden Scheibe mit einem umlaufenden Flansch und einer auf der gegenüberliegenden Seite zylindrischen Nabe mit einem Bolzenloch in der Scheibenmitte bestehen. Die Kraftübertragung erfolgt über diese Nabe und einer dazu passenden Bohrung im Stahlteil.

Nutzungsklasse 2

Produkt-Details

Eigenschaften

Material

  • Aluminium-Gusslegierung EN AC-AlSi9Cu3(Fe) nach DIN EN 1706:2010
  • Scheibendübel aus Aluminium dürfen nur in der Nutzungsklasse 1 und 2 verwendet werden

Vorteile

  • Die erforderlichen Fräsungen erlauben im Gegensatz zu anderen Dübeln besonderer Bauart einen nur geringen Kraftaufwand beim Einbau

Anwendung

Anwendbare Materialien

  • Vollholz, Stahl

Anwendungsbereich

  • Scheibendübel des Typs B1 werden zur Kraftübertragung bei Holz-Stahl Verbindungen eingesetzt. Sie dürfen für Anschlüsse an Vollholz, Brettschichtholz, Balkenschichtholz und Furnierschichtholz verwendet werden
  • Mit einem auf die Querschnittsfläche des umlaufenden Flansches abgestimmten Fräswerkzeug, inkl. Flächenfräser, wird eine entsprechende Vertiefung in den Holzwerkstoff gefräst, in die die Scheibendübel mit der Scheibe flächenbündig eingelegt werden
  • Bei Bedarf kann der Dübel durch zwei Schrauben in Bohrungen seitlich der Nabe gegen herausfallen gesichert werden
  • Zur Aufnahme der Nabe werden in den Stahlteilen Bohrungen im Außendurchmesser der Nabe +max 2mm eingebracht
  • Nach der Montage der Hölzer an die Stahlteile werden Bolzen zur Sicherung der Klemmwirkung eingebaut

Technische Daten

Abmessungen

Abmessungen - Scheibendübel Typ B1

Artikel Typ Verbinder Abmessungen
Ø Außerhalb Höhe [mm] Ø Innen Ø seitlich der Nabe
dc [mm] hc [mm] d1 [mm] d3 [mm]
B1-65M12B165231322.5
B1-80M12B180231325.5
B1-95M12B195231333.5
B1-128M12B112832.51345
B1-160M16B116034.516.550

Installation

Installation

Befestigung

  • Mit einem auf die Querschnittsfläche abgestimmten Fräswerkzeug, wird eine entsprechende Vertiefung in den Holzwerkstoff gefräst, in die die Ringdübel eingelegt werden
  • Nach zusammenfügen der Holzer müssen Bolzen, oder bei entsprechender Voraussetzung, Schrauben oder profilierte Sondernägel zur Sicherung der Klemmwirkung eingebaut werden

ZIP-Pakete

Buy from Distributor

No items available.

Contact

Simpson Strong-Tie Deutschland

Simpson Strong-Tie GmbH

Hubert-Vergölst-Straße 6-14
61231 Bad Nauheim
Deutschland